Engros Cyclone Plate Wet Scrubber

  • Cyclone Plate Wet Scrubber

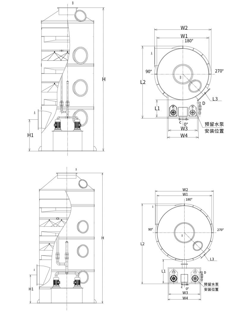
Cyclone Plate Wet Scrubber

Syklonskrubbertårnet har typisk en sylindrisk tårnkropp utstyrt med spiralplater. Under drift kommer røykgass inn fra bunnen av tårnet tangentielt og strømmer oppover. Styret av bladene på ledeplatene spiraler gassen oppover, og forstøver væsken som strømmer nedover platene til fine dråper. Dette skaper et stort gass-væske kontaktområde. Dråpene bæres av gasstrømmen og roterer, og genererer sentrifugalkraft som forbedrer gass-væske-interaksjonen. Til slutt blir dråpene kastet på tårnveggen, strømmer nedover langs veggen til neste ledeplate, og forstøves på nytt av gasstrømmen for videre kontakt. Som beskrevet oppnår væsken grundig kontakt med gassen samtidig som den opprettholder effektiv separasjon – minimerer medføring av tåke. Gass-væske lastekapasiteten til dette systemet er mer enn det dobbelte av konvensjonelle ledeplater.

The tower's excellent gas-liquid contact conditions ensure efficient absorption of waste gases by alkaline liquids. I tillegg viser syklonskrubbertårnet overlegen støvfjerningsytelse. Støvpartikler i gassen fanges opp av vanntåke på spirallederplatene, og partikler og dråper som kastes på tårnveggen av sentrifugalkraft fjernes også effektivt. Som et resultat bærer gassen som kommer ut av tårnet minimalt med støv og dråper. Vindhastigheten i det tomme tårnet varierer mellom 2,2–2,7 m/s.

Virvelspraytårnstruktur:
Som vist på figuren: Det komplette pakkede sprayskrubbesystemet inkluderer følgende komponenter:

● Tårnkropp laget av PP (polypropylen) plater;

● Ramme konstruert med PP spiralplater;

● Sprayforbindelsesrør laget av UPVC (uplastisert polyvinylklorid);

● PP spiraldyser;

● Korrosjonsbestandig PP-sirkulasjonspumpe;

● Avfukterlag (mesh/syklon/baffeltype);

● Manuelle og automatiske vannpåfyllingsenheter;

● Overløps- og avløpsrør;

● Inspeksjonsvindu.

Parametere for valg av syklonplatetårn:
For å sikre transportvennlighet og sikkerhet er PP syklonskrubbertårn delt inn i to spesifikasjonskategorier:

Type 1: Integrert vanntank syklonskrubber (tårndiameter: Φ1000mm-Φ2200mm)

Type 2: Syklonskrubber med delt vanntank (tårndiameter: Φ2500mm-Φ3500mm)


Syklon scrubber tårn modeller som tilsvarer luftstrøm kapasitet:

Modell Luftvolumområde Enhetsstørrelse Vannpumpekraft Antall virvelblader Vindhastighetsområde Utstyrsmateriale
XL-600 0-2800m³/t Φ600×2950 0,75kw 2 0-2,76m/s PP/304/Q235/FRP
XL-800 3800-5000m³/t Φ800×3300 0,75kw 2 2,11-2,77m/s PP/304/Q235/FRP
XL-1000 6000-7500m³/t Φ1000×4380 1,5kw 2 2,13-2,66m/s PP/304/Q235/FRP
XL-1200 8500-11000m³/t Φ1200×4430 2,2kw 2 2,09-2,71m/s PP/304/Q235/FRP
XL-1500 14000-17000m³/t Φ1500×5000 3,75 kw 2 2,2-2,68m/s PP/304/Q235/FRP
XL-1800 20 000-25 000 m³/t Φ1800×5650 5,5kw 2 2,19-2,73m/s PP/304/Q235/FRP
XL-2000 25001-30000m³/t Φ2000×6200 5,5kw 2 2,21-2,66m/s PP/304/Q235/FRP
XL-2200 30001-37000m³/t Φ2200×6700 7,5kw 2 2,19-2,71m/s PP/304/Q235/FRP
XL-2500 40 000-47 000 m³/t Φ2500×6850 7,5kw 2 2,27-2,66m/s PP/304/Q235/FRP
XL-2800 49000-58000m³/t Φ2800×7900 11kw 2 2,21-2,62m/s PP/304/Q235/FRP
XL-3000 58000-68000m³/t Φ3000×8000 11kw 2 2,28-2,67m/s PP/304/Q235/FRP
XL-3200 68000-78000m³/t Φ3200×8000 15kw 2 2,35-2,7m/s PP/304/Q235/FRP
XL-3500 78000-88000m³/t Φ3500×8000 15kw 2 2,25-2,54m/s PP/304/Q235/FRP

Merk: Ikke-standard design kan lages i henhold til kundens krav.

Utvalgsdiagram:

Hangzhou Lvran Environmental Protection Group Co., Ltd.

  • 1000+

    Serviceenhetskunder

  • 2000+

    Nasjonale ingeniørsaker

Hangzhou Lvran Environmental Protection Group Co., Ltd. er en omfattende leverogør av tjenester for avfallsgassbehandlingssystem og utstyrsprodusent, som integrerer FoU, tekniske tjenester, design, produksjon, ingeniørinstallasjon og ettersalgsservice.

We are China Cyclone Plate Wet Scrubber Suppliers and Wholesale Cyclone Plate Wet Scrubber Exporter, Company. Konsernet er et nasjonalt høyteknologisk foretak, et vitenskaps- og teknologiselskap i Zhejiang-provinsen, et regionalt FoU-senter og en AAA-vurdert kredittenhet. Den har over 30 bruksmodellpatenter, en rekke oppfinnelsespatenter og opphavsrettigheter til programvare. Konsernet har langvarige tekniske FoU-samarbeid med innenlandske universiteter og institusjoner, inkludert "Environmental Innovation R&D Center" etablert med Anhui University of Science and Technology og "Plasma Energy and Environmental New Technology R&D Center" utviklet i fellesskap med Zhejiang Sci-Tech University. Konsernet har etablert sin egen FoU- og produksjonsbase for dyptgående teknisk samarbeid. Konsernet besitter kjerneteknologi for VOC-gassbehandling, innehar en generell entreprenørkvalifikasjon på nivå 2 for kommunal bygging av offentlige arbeider, en sikkerhetsutvinningstillatelse, en klasse B spesialdesignkvalifikasjon for miljøforurensningskontroll i Zhejiang-provinsen, uklassifiserte arbeidstjenestekvalifikasjoner og spesialisert kontrakt for spesielle prosjekter. Konsernet er sertifisert til ISO9001 for internasjonal kvalitet, ISO14001 for miljøledelse og ISO45001 for helse og sikkerhet på arbeidsplassen.

HEDER OG CERTIFIKAT

Følgende utmerkelser representerer vår glans. Vi vinner kunder med produkter av høy kvalitet og vinner stor ros fra markedet og alle samfunnslag med gode tjenester.

  • En grunnenhet og reaktor av platetype med høyt elektrisk felt for å forhindre lekkasje langs overflaten
  • En reaksjonsanordning for å syntetisere metanol ved bruk av karbondioksid og vann og en metode for å syntetisere metanol ved bruk av karbondioksid og vann
  • Selvrensende elektrostatisk filter
  • En korrosjonsbestandig høytrykksvifte med vindretningsjusteringsfunksjon
  • En justerbar selvrensende vifte med høy kapasitet
  • Kombinert katalytisk gassifiseringskontrollsystem for forbehandling av eksosgass
  • Damprensing av kontinuerlig elektrostatisk felt avgassrensing og behandlingssystem
  • Lavtemperatur plasma UV-fotolyse avgassrensingssystem
  • Varemerkeregistreringsbevis
Nylig nyheter og arrangementer
Del med deg
Se flere nyheter