Engros 316L spraytårn i rustfritt stål

  • 316L spraytårn i rustfritt stål
  • 316L spraytårn i rustfritt stål
  • 316L spraytårn i rustfritt stål
  • 316L spraytårn i rustfritt stål
  • 316L spraytårn i rustfritt stål
  • 316L spraytårn i rustfritt stål

316L spraytårn i rustfritt stål

316L Rustfritt stål Spray Tower Driftsprinsipp og gjeldende gassmiljø

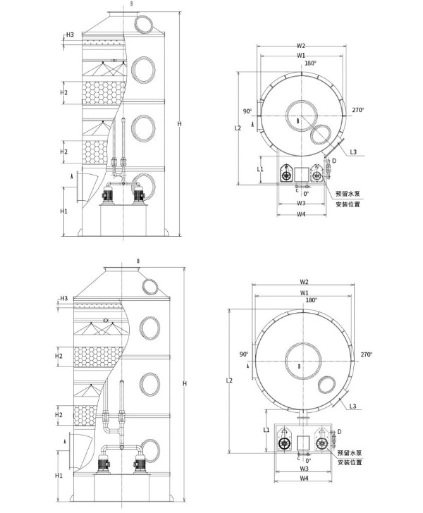
I. Driftsprinsipp (Samme som PP/PPH Tower Process, men forskjellige materialer og driftsbetingelser)
1. Avgass kommer inn i tårnet tangentielt og stiger gjennom utjevningsseksjonen til pakking/sprøyteseksjonen;
2. 316L dyser på toppen av tårnet forstøver NaOH, H₂SO₄ eller andre kjemiske løsninger til dråper som kommer i motstrømskontakt med gassen;
3. En flytende film dannes på overflaten av 316L Pall-ringen eller trinnet ringpakking, som fjerner forurensninger gjennom absorpsjon, oppløsning, nøytralisering eller redoksreaksjoner;
4. Den rensede gassen som inneholder dråper fortsetter gjennom et 316L trådnett eller skjermavfukter, hvor den dehydreres og slippes ut til standardbetingelser;
5. Avfallsvæske samles i en 316L sirkulasjonstank i bunnen av tårnet. Etter automatisk dosering og filtrering, resirkuleres den av en 316L pumpe til den oppfyller utslippsstandarder eller er outsourcet for behandling.

2. 316L Material Fordeler
• Inneholder 23 % Mo, og gir over 30 % høyere motstand mot Cl⁻-groper og sprekkkorrosjon enn 304;
• Tåler langvarig bruk i høytemperatur eksosgasser ved 80-150°C uten deformasjon eller aldring;
• Høy mekanisk styrke, i stand til å motstå trykksvingninger over ±5 kPa, noe som gjør den egnet for høytrykksinduserte trekksystemer.

III. Typiske anvendelige gassmiljøer
| Industri | Eksempler på gassmedier | Funksjoner |
| Kjemisk/farmasøytisk | HCl, Cl2, SO2, HF, H2S | Høy konsentrasjon, sterkt etsende, halogenholdig |
| Galvanisering/beising | Kromsyretåke, hydrogencyanid, salpetersyretåke | Inneholder tungmetallioner, sterkt oksiderende |
| Avfallsforbrenning | HCl SO₂ HF gassblanding, dioksinforløpere | Høy temperatur, høy luftfuktighet, kompleks sammensetning |
| Metallurgi/elektronikk | NOₓ, ammoniakk, silan, fosfin | Fluorholdig og silisiumholdig støv og sterke syrer og alkalier |
| Laboratorium | Syre-base blandet eksosgass, organisk løsemiddeldamp | Store konsentrasjonssvingninger, intermitterende utslipp |

IV. Sammenligning med PP/PPH Tower Selection
• Temperatur > 60°C eller inneholder fluor eller høye kloridioner → Velg 316L;
• Inneholder flussyre eller høytemperatur konsentrert svovelsyre → Oppgrader til 904L eller Hastelloy;
• For romtemperatur svak syre og alkali eller kostnadssensitive prosjekter, velg PP/PPH.

Spraytårnet i rustfritt stål på 316L bruker en motstrøms spraypakningsmasseoverføringsmekanisme, og opprettholder en renseeffektivitet på ≥95 % og en levetid på over ti år selv i scenarier med høy temperatur, høyt kloridholdig, sterkt oksiderende eller sterkt reduserende avgass. Det er det foretrukne valget for behandling av etsende avfallsgass i industrier som kjemisk industri, elektroplettering og avfallsforbrenning.

Valg av kjemisk skrubber
Teknisk spesifikasjonstabell for pakkede sprayskrubbere
For enkel transport og sikkerhet er PP-pakkede sprayscrubbere kategorisert i to typer:
Type 1: Integrert tankpakket sprayskrubber (tårndiameter: Φ1000mm–Φ2200mm)
Type 2: Sprayskrubber med delt vanntank (tårndiameter: Φ2500mm–Φ3500mm)
Luftstrømkapasitet Tilsvarende modeller for pakkede tårn:

Modell Luftstrømkapasitet (m³/t) Utstyrsdimensjoner Pumpekraft Pakningstykkelse Vindhastighet Utstyrsmateriale
LRTL-600 0 - 1500 m³/t Φ600×3000 0,75kw 500*2 1,48m/s PP/304/Q235/FRP
LRTL-800 1501 - 2500 m³/t Φ800×3000 0,75kw 500*2 1,39 m/s PP/304/Q235/FRP
LRTL-1000 2501 - 4000 m³/t Φ1000×5000 1,5kw 500*2 1,42m/s PP/304/Q235/FRP
LRTL-1200 4001 - 6000 m³/t Φ1200×5000 2,2kw 500*2 1,48m/s PP/304/Q235/FRP
LRTL-1500 6001 - 9500 m³/t Φ1500×5000 3,75 kw 500*2 1,5 m/s PP/304/Q235/FRP
LRTL-1800 9501 - 14000m³/t Φ1800×5000 5,5kw 500*2 1,53 m/s PP/304/Q235/FRP
LRTL-2000 14001 - 17000m³/t Φ2000×6000 5,5kw 500*2 1,5 m/s PP/304/Q235/FRP
LRTL-2200 17001 - 20000m³/t Φ2200×6000 7,5kw 500*2 1,46m/s PP/304/Q235/FRP
LRTL-2500 20001 - 27000m³/t Φ2500×6000 7,5kw 500*2 1,53 m/s PP/304/Q235/FRP
LRTL-2800 27001 - 33000m³/t Φ2800×6000 15kw 500*2 1,49 m/s PP/304/Q235/FRP
LRTL-3000 33001 - 38000m³/t Φ3000×6800 15kw 500*2 1,49 m/s PP/304/Q235/FRP
LRTL-3200 38001 - 44000m³/t Φ3200×6800 15kw 500*2 1,52 m/s PP/304/Q235/FRP
LRTL-3500 44001 - 55000m³/t Φ3500×6800 15kw 500*2 1,5 m/s PP/304/Q235/FRP

Merk: Egendefinerte design kan leveres på kundeforespørsel.

Utvalgsdiagram:

Hangzhou Lvran Environmental Protection Group Co., Ltd.

  • 1000+

    Serviceenhetskunder

  • 2000+

    Nasjonale ingeniørsaker

Hangzhou Lvran Environmental Protection Group Co., Ltd. er en omfattende leverogør av tjenester for avfallsgassbehandlingssystem og utstyrsprodusent, som integrerer FoU, tekniske tjenester, design, produksjon, ingeniørinstallasjon og ettersalgsservice.

We are China 316L spraytårn i rustfritt stål Suppliers and Wholesale 316L spraytårn i rustfritt stål Exporter, Company. Konsernet er et nasjonalt høyteknologisk foretak, et vitenskaps- og teknologiselskap i Zhejiang-provinsen, et regionalt FoU-senter og en AAA-vurdert kredittenhet. Den har over 30 bruksmodellpatenter, en rekke oppfinnelsespatenter og opphavsrettigheter til programvare. Konsernet har langvarige tekniske FoU-samarbeid med innenlandske universiteter og institusjoner, inkludert "Environmental Innovation R&D Center" etablert med Anhui University of Science and Technology og "Plasma Energy and Environmental New Technology R&D Center" utviklet i fellesskap med Zhejiang Sci-Tech University. Konsernet har etablert sin egen FoU- og produksjonsbase for dyptgående teknisk samarbeid. Konsernet besitter kjerneteknologi for VOC-gassbehandling, innehar en generell entreprenørkvalifikasjon på nivå 2 for kommunal bygging av offentlige arbeider, en sikkerhetsutvinningstillatelse, en klasse B spesialdesignkvalifikasjon for miljøforurensningskontroll i Zhejiang-provinsen, uklassifiserte arbeidstjenestekvalifikasjoner og spesialisert kontrakt for spesielle prosjekter. Konsernet er sertifisert til ISO9001 for internasjonal kvalitet, ISO14001 for miljøledelse og ISO45001 for helse og sikkerhet på arbeidsplassen.

HEDER OG CERTIFIKAT

Følgende utmerkelser representerer vår glans. Vi vinner kunder med produkter av høy kvalitet og vinner stor ros fra markedet og alle samfunnslag med gode tjenester.

  • En grunnenhet og reaktor av platetype med høyt elektrisk felt for å forhindre lekkasje langs overflaten
  • En reaksjonsanordning for å syntetisere metanol ved bruk av karbondioksid og vann og en metode for å syntetisere metanol ved bruk av karbondioksid og vann
  • Selvrensende elektrostatisk filter
  • En korrosjonsbestandig høytrykksvifte med vindretningsjusteringsfunksjon
  • En justerbar selvrensende vifte med høy kapasitet
  • Kombinert katalytisk gassifiseringskontrollsystem for forbehandling av eksosgass
  • Damprensing av kontinuerlig elektrostatisk felt avgassrensing og behandlingssystem
  • Lavtemperatur plasma UV-fotolyse avgassrensingssystem
  • Varemerkeregistreringsbevis
Nylig nyheter og arrangementer
Del med deg
Se flere nyheter