Engros Kjemisk skrubber

  • Kjemisk skrubber

Kjemisk skrubber

Kjemikalievaskeren er et avansert skrubbefilter. Den bruker en spesiell struktur og et stort spesifikt overflateareal med vanlig pakking som masseoverføring og dehydreringspakking. Samtidig, i henhold til de forskjellige luktfremkallende komponentene i lukten, brukes den tilsvarende syre, alkali og oksidasjonsmiddel som absorberende vaskevæske for å fjerne lukten i rommet og eliminere påvirkningen på det omgivende miljøet.

Den luktende luftstrømmen transporteres gjennom luftkanalen og kommer inn i tårnet fra tårninntaket. Etter å ha kommet inn i tårnet, passerer den gjennom pakningslaget fra bunn til topp, og blir til slutt tømt fra tårnets øvre rørledningsutløp gjennom anti-korrosjonsviften. Den nøytraliserende løsningen passerer gjennom væskeseparatoren på toppen av tårnet, sprayer jevnt inn i pakningslaget, strømmer ned langs overflaten av pakningslaget til det slippes ut fra tårnbunnen gjennom rørledningen, og sirkuleres av anti-korrosjonssirkulasjonspumpen. Ettersom konsentrasjonen av oppløste stoffer i den stigende luftstrømmen blir lavere og lavere, oppnås rensefunksjonen når den når toppen av tårnet, og den slippes ut eller fortsetter å bli renset gjennom neste trinn. Tvert imot blir konsentrasjonen av mediet i den synkende væsken høyere og høyere, og den når prosessbetingelsene når den når bunnen av tårnet og slippes ut av tårnet.

Fordeler med spraypakketårnet: Det har høy effektivitet, liten væskeholdekapasitet, lett vekt og enkel betjening, noe som gjør at arbeiderne kan komme i gang umiddelbart. Fyllstoffet kan velges i henhold til arbeidsforholdene gitt av kunden. Det er mange typer, og korrosjonsbestandige kuleringer brukes generelt. Det skal imidlertid bemerkes at fast suspendert materiale kan tette til fyllstoffet på grunn av dets store partikkeldiameter, så det er generelt ikke egnet for faststoffbehandling. For eksempel kan NH₃, HCl, H₂S, nitrogenoksider og organisk avfallsgass generert av fabrikker behandles effektivt med dette utstyret.

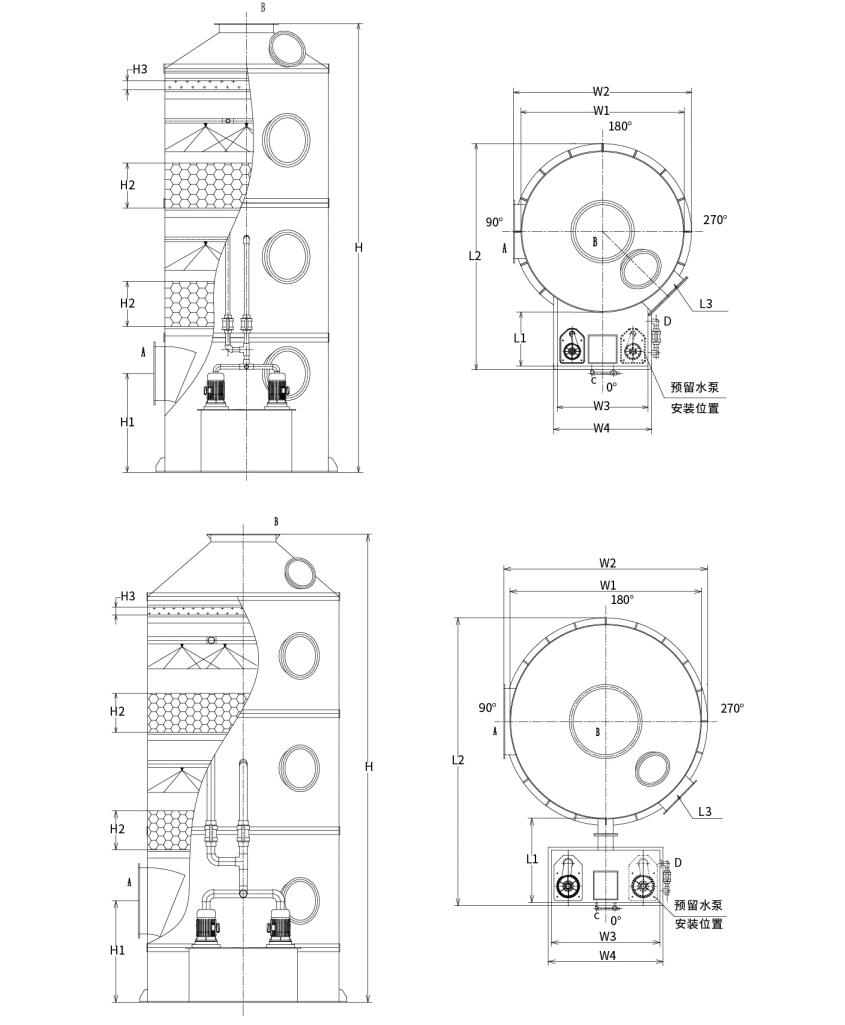
Kjemisk skrubberstruktur:
Som vist på figuren: Det komplette pakkede sprayskrubbesystemet inkluderer følgende komponenter:

1. Tårnkroppen laget av PP (polypropylen) plater;

2. Pakningsstøtteramme laget av PP gitterpaneler;

3. Sprayforbindelsesrør laget av UPVC;

4. PP spiraldyser;

5. Hul ball eller Pall ring pakking;

6. Korrosjonsbestandig PP sirkulasjonspumpe;

7. Mesh demister lag;

8. Manuelle og automatiske vannpåfyllingsenheter;

9. Overløps- og avløpsrør;

10. Inspeksjonsvindu.

Valg av kjemisk skrubber:
Teknisk parametertabell for pakket sprayskrubber

For å sikre transportvennlighet og sikkerhet er PP-pakkede sprayskrubbere delt inn i to typer:

Type 1: Integrert vanntankpakket sprayskrubber (tårndiameter: Φ1000mm-Φ2200mm)

Type 2: Sprayskrubber med delt vanntank (tårndiameter: Φ2500mm-Φ3500mm)


Modelllspesifikasjoner som tilsvarer luftstrømkapasitet:

Model Luftvolum Enhetsstørrelse Vannpumpekraft Fyllingstykkelse Vindhastighet Utstyrsmateriale
LRTL-600 0-1500m³/t Φ600x3000 0,75kw 500*2 1,48m/s PP/304/Q235/FRP
LRTL-800 1501-2500 m³/t Φ800x3000 0,75kw 500*2 1,39 m/s PP/304/Q235/FRP
LRTL-1000 2501-4000m³/t Φ1000x5000 1,5kw 500*2 1,42m/s PP/304/Q235/FRP
LRTL-1200 4001-6000m³/t Φ1200x5000 2,2kw 500*2 1,48m/s PP/304/Q235/FRP
LRTL-1500 6001-9500m³/t Φ1500x5000 3,75 kw 500*2 1,5 m/s PP/304/Q235/FRP
LRTL-1800 9501-14000m³/t Φ1800x5000 5,5kw 500*2 1,53 m/s PP/304/Q235/FRP
LRTL-2000 14001-17000m³/t Φ2000x6000 5,5kw 500*2 1,5 m/s PP/304/Q235/FRP
LRTL-2200 17001-20000m³/t Φ2200x6000 7,5kw 500*2 1,46m/s PP/304/Q235/FRP
LRTL-2500 20001-27000m³/t Φ2500x6000 7,5kw 500*2 1,53 m/s PP/304/Q235/FRP
LRTL-2800 27001-33000m³/t Φ2800x6000 15kw 500*2 1,49 m/s PP/304/Q235/FRP
LRTL-3000 33001-38000m³/t Φ3000x6800 15kw 500*2 1,49 m/s PP/304/Q235/FRP
LRTL-3200 38001-44000m³/t Φ3200x6800 15kw 500*2 1,52 m/s PP/304/Q235/FRP
LRTL-3500 44001-55000m³/t Φ3500x6800 15kw 500*2 1,5 m/s PP/304/Q235/FRP

Merk: Ikke-standard design kan tilpasses i henhold til kundens krav.

Utvalgsdiagram:

Hangzhou Lvran Environmental Protection Group Co., Ltd.

  • 1000+

    Serviceenhetskunder

  • 2000+

    Nasjonale ingeniørsaker

Hangzhou Lvran Environmental Protection Group Co., Ltd. er en omfattende leverogør av tjenester for avfallsgassbehandlingssystem og utstyrsprodusent, som integrerer FoU, tekniske tjenester, design, produksjon, ingeniørinstallasjon og ettersalgsservice.

We are China Kjemisk skrubber Suppliers and Wholesale Kjemisk skrubber Exporter, Company. Konsernet er et nasjonalt høyteknologisk foretak, et vitenskaps- og teknologiselskap i Zhejiang-provinsen, et regionalt FoU-senter og en AAA-vurdert kredittenhet. Den har over 30 bruksmodellpatenter, en rekke oppfinnelsespatenter og opphavsrettigheter til programvare. Konsernet har langvarige tekniske FoU-samarbeid med innenlandske universiteter og institusjoner, inkludert "Environmental Innovation R&D Center" etablert med Anhui University of Science and Technology og "Plasma Energy and Environmental New Technology R&D Center" utviklet i fellesskap med Zhejiang Sci-Tech University. Konsernet har etablert sin egen FoU- og produksjonsbase for dyptgående teknisk samarbeid. Konsernet besitter kjerneteknologi for VOC-gassbehandling, innehar en generell entreprenørkvalifikasjon på nivå 2 for kommunal bygging av offentlige arbeider, en sikkerhetsutvinningstillatelse, en klasse B spesialdesignkvalifikasjon for miljøforurensningskontroll i Zhejiang-provinsen, uklassifiserte arbeidstjenestekvalifikasjoner og spesialisert kontrakt for spesielle prosjekter. Konsernet er sertifisert til ISO9001 for internasjonal kvalitet, ISO14001 for miljøledelse og ISO45001 for helse og sikkerhet på arbeidsplassen.

HEDER OG CERTIFIKAT

Følgende utmerkelser representerer vår glans. Vi vinner kunder med produkter av høy kvalitet og vinner stor ros fra markedet og alle samfunnslag med gode tjenester.

  • En grunnenhet og reaktor av platetype med høyt elektrisk felt for å forhindre lekkasje langs overflaten
  • En reaksjonsanordning for å syntetisere metanol ved bruk av karbondioksid og vann og en metode for å syntetisere metanol ved bruk av karbondioksid og vann
  • Selvrensende elektrostatisk filter
  • En korrosjonsbestandig høytrykksvifte med vindretningsjusteringsfunksjon
  • En justerbar selvrensende vifte med høy kapasitet
  • Kombinert katalytisk gassifiseringskontrollsystem for forbehandling av eksosgass
  • Damprensing av kontinuerlig elektrostatisk felt avgassrensing og behandlingssystem
  • Lavtemperatur plasma UV-fotolyse avgassrensingssystem
  • Varemerkeregistreringsbevis
Nylig nyheter og arrangementer
Del med deg
Se flere nyheter